

螺纹连接
耀希达凯 Yoshitake SY-5型过滤器,适用于蒸汽、空气、冷热水、油等非危险性流体,广泛安装于减压阀、温控阀等阀门前端以保护设备。产品小巧轻量、经济实用,增大过滤面积减少堵塞影响,采用球墨铸铁阀体与不锈钢滤网,连接方式为JIS Rc螺纹型,公称直径覆盖10A-50A,满足多种管道除尘需求。
耀希达凯 Yoshitake SY-5型过滤器是一款经济型过滤设备,专为各种管道系统的除尘需求设计,尤其适用于减压阀、温控阀、电磁阀、疏水阀等阀门的前端安装,从保护和维修角度延长下游设备的使用寿命。产品具备用途广泛、小巧轻量的特点,在设计上充分考虑堵塞导致的流量降低问题,尽可能增大了过滤面积,确保流体顺畅通过。

| 参数项 | 规格值 |
|---|---|
| 适用流体 | 蒸汽、空气、冷水和热水、油、其他非危险性流体(冷热水推荐使用SY-6型) |
| 最高压力 | 2.0 MPa |
| 最高温度 | 220°C |
| 阀体材质 | 球墨铸铁 |
| 滤网材质 | 不锈钢 |
| 标准滤网规格 | 80目(孔数:2.5-7.21个孔/cm²) |
| 可定制滤网目数 | 20-100目 |
| 可定制滤网孔数 | 1.2-23.8个孔/cm² |
| 连接方式 | JIS Rc 螺纹型 |
| 压力损失控制 | 建议控制在0.1MPa以下 |
| 公称直径 | 螺纹规格(d) |
|---|---|
| 10A | Rc 3/8 |
| 15A | Rc 1/2 |
| 20A | Rc 3/4 |
| 25A | Rc 1 |
| 32A | Rc 1-1/4 |
| 40A | Rc 1-1/2 |
| 50A | Rc 2 |

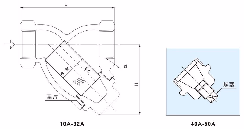
| 公称直径 | 螺纹规格(d) | 长度L(mm) | 高度H1(mm) | ds(mm) | ls(mm) | 垫片规格(外径×内径×厚度) | 螺塞口径 | 重量(kg) |
|---|---|---|---|---|---|---|---|---|
| 10A | Rc 3/8 | 65 | 50 | 18 | 32 | φ30.5×φ24×1.0 | (R 1/4) | 0.4 |
| 15A | Rc 1/2 | 75 | 55 | 20 | 35 | φ34.5×φ26×1.0 | (R 1/4) | 0.6 |
| 20A | Rc 3/4 | 90 | 70 | 25 | 50 | ø41.5×326×1.0 | (Rc 3/8) | 0.9 |
| 25A | Rc 1 | 110 | 85 | 32 | 60 | φ50.5×φ40×1.0 | (R 3/8) | 1.4 |
| 32A | Rc 1-1/4 | 135 | 95 | 40 | 70 | φ61.5×φ50×1.0 | (R 3/8) | 2.2 |
| 40A | Rc 1-1/2 | 145 | 105 | 45 | 75 | φ67.5×φ55×1.0 | R 3/8 | 3.4 |
| 50A | Rc 2 | 170 | 120 | 56 | 90 | φ78.5×φ65×1.0 | R 3/8 | 4.5 |
备注
SY-5型过滤器的工作原理简单高效:流体从过滤器入口侧流入,经过不锈钢滤网过滤后,流体中的杂质、铁渣及其他异物被滤网拦截,过滤后的洁净流体从出口流出,从而保护下游管道及设备免受杂质损坏。通过在过滤器前后安装压力表,可根据压差变化判断滤网的堵塞情况,及时进行清洗维护。
| 流体 | 摘要 | 标准流速(m/s) |
|---|---|---|
| 饱和蒸汽 | 真空管或小管径的辅助管 | 15(10~20) |
| 饱和蒸汽 | 大管径 | 30(20~40) |
| 过热蒸汽 | 管径φ75~250 | 40(30~50) |
| 过热蒸汽 | 高级材料管 | 70(65~80) |
| 蒸汽线圈入口 | 0.3~0.7MPa | 30(25~30) |
| 空气 | 高压(1.0MPa以上) | 20(20~25) |
| 空气 | 低压 | 15(5~15) |
| 空气 | 极低压(0.1MPa以下) | 10(3~10) |
| 水、油 | - | 2(2~4) |
备注
上表参考JIS F7101(船舶机关部管内流速标准)制作,选型时建议考虑安全率高于性能值20%。
SY-5型过滤器(标准滤网:80目,孔数2.5-7.21个孔/cm²)在流体为水时的压力损失与流量关系可参考产品压力损失图表,不同公称直径对应的流量-压力损失特性不同,具体可结合实际使用场景查询。

警告
注意
拆卸・检查警告
进行拆卸、检查前,必须完全排掉产品、管道及设备的内部压力;若流体为高温,需冷却后再作业,避免残留压力导致受伤或烫伤。
注意