

Spirax Sarco AV13 is a repairable pressure balanced thermostatic air vent valve with angle connection design, compliant with European Pressure Equipment Directive 97/23/EC. Suitable for 3/8", ½", ¾" BSP or NPT threads, high temperature and pressure resistant, installed at the highest point of pipelines for air venting, suitable for efficient steam system operation.

Spirax Sarco AV13 steam system air vent valve is a repairable pressure balanced thermostatic air vent valve with angle connection design. The product strictly complies with the European Pressure Equipment Directive 97/23/EC standard, can provide professional test reports, ensuring stable and reliable air venting in steam systems for efficient operation.

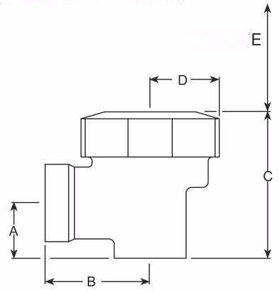
| Port Size | Dimension A (mm) | Dimension B (mm) | Dimension C (mm) | Dimension D (mm) | Disassembly Distance E (mm) | Weight (kg) |
|---|---|---|---|---|---|---|
| 3/8" | 18 | 32 | 49 | 25 | 55 | 0.40 |
| ½" | 20 | 38 | 53 | 25 | 55 | 0.40 |
| ¾" | 27 | 40 | 62 | 25 | 55 | 0.45 |

| Part No. | Component Name | Material | Standard |
|---|---|---|---|
| 1 | Body | Brass | BS EN 12165 CW 617N |
| 2 | Cap | Brass | BS EN 12165 CW 617N |
| 3 | O-Ring | Synthetic Rubber Fluorocarbon | - |
| 4 | Capsule | Stainless Steel | - |
| 5 | Spring | Stainless Steel | BS 2056 302 S26 |
| 6 | Baffle | Stainless Steel | BS 1449 304 S16 |
| 7 | Valve Seat | Stainless Steel | BS 970 431 S29 |
| 8 | Valve Seat Gasket | Stainless Steel | BS 1449 304 S11 |
| Component/Part No. | Torque Specification (Nm) | Corresponding Size (A/F mm) |
|---|---|---|
| 2 (Gasket) | 90 - 100 | 50 |
| O-Ring | 50 - 60 | 50 |
| Valve Seat | 35 - 40 | 17 |
1-Spirax Sarco ½" AV13 Air Vent Valve, BSP threaded connection

| Spare Part Name | Corresponding Part No. | Notes |
|---|---|---|
| Capsule and Valve Seat Assembly | 3, 4, 5, 6, 7, 8 | Core maintenance spare parts combination |
| Cap Gasket (Early Models) | 3 | 3 pieces/set, suitable for traditional model sealing |
| O-Ring (Current Models) | 3 | 3 pieces/set, 2 types, adapted to body type, for cap sealing |
1-Capsule and Valve Seat Assembly for ½" AV13 Air Vent Valve
Explore similar products in our catalog







